Vinyl Song LCR ECC88 Phono Stage (optional MC step-up) diyhifisupply®
Assembly Manual
Introduction and Overview
The Vinyl Song is a State of the Art Phono Preamplifier/Equalizer with 38dB (MM) and 62dB/68dB (MC selectable) of gain.
By using the Silk 600 Ohm LCR RIAA EQ Modules not only a very precise equalization is attained, but also noise is kept very low. The (optional for the MC version) Cinemag step up transformers provide the extra gain for MC pickups without adding noise or colorations.
The kit is also supplied with premium RIAA parts – polystyrene capacitors and teflon shielded mini coax. Although contained in one box the transformers have their own iron shielding cage with a net result of state-of-the-art, quiet and incredible dynamic range.
Specification
Power: 110 to 240V AC 40W
THD: 0.1% at 1V RMS
Gain MM: 38dB
Input Imp. MM: 47KOhm
Gain MC Lo: 62dB
Input Imp. MC Lo: 140 Ohm
Gain MC Hi 68dB
Input Imp. MC Hi: 36 Ohm
Frequency Response: 22hz to 30k +-0.6db RIAA
Output Impedance : < 200 Ohm
Signal to Noise: 86dB
Inputs: 2 sets RCA, MM/MC
Outputs: Left and Right RCA
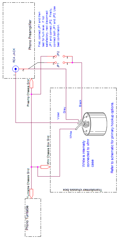
Grounding Interface: 1
Size with feet (mm): 300 x 320 x 90 (LWH)
Step 1: Tube Output Stage Settings and wiring
Introduction of tube output stage and phono stage:
This application will produce a moving magnet and high output moving coil cartridge compatible Phono stage. It use two Universal Tube Output Stages together with a LCR 600 ohm module to form the RIAA Equalisation network as Phonostage. One UTS Module will be used for each channel, so Tubes used should be identical in manufacturing and preferably matched.
The resulting Phono Stage will offer 47kOhm input impedance and around 38db Gain in MM mode. Gain with the Cinemag MC stepup transformers will be 62/68db with a load of 140/36ohms.
Our implementation produces the most accurate RIAA EQ we have ever seen from an LCR type phono stage:

We include military specification polystyrene caps with the kit to meet these specs. Such adherence to RIAA standard results in very quiet playback that minimizes grove noise and diminishes the presence of tics and pops.
Jumper Settings
This type of Application requires the jumper settings shown below:

Please note that Capacitor C109 is (intentionally) not fitted. It is not used and should be left off the PCB. The connection pad on the PCB near the upper end of the PCB (as above) is used to take off the signal feeding the LCR RIAA.
Input/Output Wiring Diagram MM Only

Please note that the Mute and Mono Switches may be safely omitted. If the mono Switch is omitted the four 33 Ohm Resistors also can be removed.
In most Phono Stages using LCR RIAA Equalization the LCR RIAA Module is coupled using either capacitors or transformers. In our circuit no such coupling device is needed.
The LCR RIAA Module is coupled directly to the output of the input gain stage using only a single Tantalum resistor to present the correct impedance to the LCR RIAA module.
In order to allow this direct coupled circuit, the wire feeding the LCR EQ Module via the 680 Ohm resistor is soldered on the PCB to the connection for the omitted C109, nearest to the edge of the PCB that contains the audio connections.
Step 2: Wiring overview
Take care to first review the steps outlined below, assemble the necessary tools, parts etc..
Many of the required connections can be made without using a soldering iron. However the connections for the RCA Jacks and from the MC Stepup Transformers as well as the LCR Modules require soldering. For the RCA Jack ring connections and the ground binding post we recommend a soldering iron of at least 50-60Watt power. All other solder connections should use a smaller soldering iron with 25Watt power or (better) be of the electronically regulated type.

When making connections to the IEC sockets and the mains transformers take great care to make solid connections and to isolate the bare connections using the included heat shrink sleeving. Please avoid pulling the wires exiting from the Transformer, as too much tension may cause internal shorts or disconnect the wire, rendering the transformer unusable.
The iron cover of the transformer shielding cage is set into place on the blue mastic provided. This provides a non-vibrating fit and makes removal easy.
Step 3 : Wire up the mains connections

Step 4: Wire up the Power connections, outputs, Led & Switches

Step 5: Wire up the LCR EQ Modules

Step 6 : Wire up the MC Stepup Transformers and MM Inputs

Step 7: Comparing with our finished photos

Back panel functions
(Looking at back panel from back)
Right RCA: output to linestage
Middle RCA: MM input
MM/MC select: right – MM; left – MC
MC Gain select: up – high / down – low
Left RCA: MC input
Ground post: Tonearm Ground wire connection
Front Panel Functions
(Looking at front panel from front)
Left switch: up – On / down – Off
Central LED: Power indicator – On = Power On
Mono/Mute Switch group to the right of the Power Indictor LED
Left switch: up – Stereo / down – Mono
Right Switch: up – Play / down – Mute
Photo of completely wired Vinyl Song, transformer shielding open

Photo of completely wired Vinyl Song, transformer shielding closed

Step 8 : Testing and first power-up
The modules making up your Vinyl Song Kit are individually tested before shipping. So no extensive testing is required. However, we recommend a set of basic checks before first switch-on.
Basic testing and checks
Please re-check all the wiring and connections against the drawings and Photos. Check that no components on the PCB have been shifted or pushed from their correct position and that no components make any contact with others.
You should especially check Q2 and Q102, located near the tube socket. You can find their exact location by checking the component designators on the PCB Overlay.
Check that for 115V Mains a 1A slow blow fuse is fitted to the IEC Sockets fuse holder. For 230V the Fuse should be 0.5A.
Testing the Mains Transformer Wiring
Using a multimeter set to resistance measurement check the following conditions are present on the IEC Connector:

1) There is no continuity or resistance from either the L(ive) or N(eutral) pin to theE(arth) Pin.
2) There is a zero ohm or very close to zero ohm (<<1Ohm) resistance between the E(arth) pin and the Vinyl Song Chassis.
3) If your Vinyl Song Kit is wired for 115V you should measure around 15 to 20 Ohm between L(ive) andN(eutral).
4) If your Vinyl Song Kit is wired for 230V you should measure around 60 to 80 Ohm between L(ive) andN(eutral).
First Switch-on
We recommend you carry out the first switch-on without the E88CC Tubes fitted, with the case open and the cover from the shielding case for the transformers removed.
Upon connecting the mains cable and turning the power switch to “On” the power LED should light up, followed by one each Blue LED on the UTS Boards.
There should be no smoke or burning smell. If you notice any such, please immediately switch off and disconnect the mains cable. Then check your work and rectify any faults.
If all appears okay leave the Vinyl Song on for another minute or two. Then switch off, disconnect the mains-cable and check the temperature of the mains transformers.
If they are at room temperature all is okay. If they have a very elevated temperature you may have a short somewhere in your wiring or a damaged transformer.
If everything is okay, you can fit the transformer shield cover, the tubes and complete the assembly of the Vinyl Song.
For a final check connect the mains cable and switch on. After around 1 minute measure with your multimeter the DC voltage on each RCA Output. This should be no more than a few millivolt.
If all is as expected, you can move your Vinyl Song into your system for a first listen.
Appendix A : Cinemag MC Stepup Connections and Performance

CineMag was founded in 1979 in North Hollywood, California. Its mission is to manufacture the very best audio magnetic components in the world. However, its history goes back to 1953 when its founder, Tom Reichenbach, was a youngster and was already making transformers with his father, Ed. Edward Reichenbach’s experience in the audio transformer business goes back to Altec Lansing during World War II.
In order to obtain the very best results in an audio design, it is imperative that each and every detail of manufacturing be closely watched. The smallest deviation from ideal manufacturing processes will result in product which does not meet our criteria. For this reason, CineMag carries out all manufacturing at their own facility at Canoga Park, California.
The CineMag CMQEE-3440A’s design derives from the classic “Quad 8” Range designed originally for Electrodyne Mixing Desks. It can be connected with impedance ratios of 37.5/150 and 600 ohm to 50KOhm, translating into step-up ratios of 1:36, 1:18 and 1:9.
A.1 Transformer connection diagram

For 37.5 Ohm / 1:36 – Tie Brown to Yellow & Red to Green
Input Connections to Brown/Yellow (+)
& Red/Green (-)
For 150 Ohm / 1:18 – Tie Brown to Yellow & Orange to Blue
Input Connections to Brown/Yellow (+)
& Orange/Blue (-)
For 600 Ohm / 1:9 – Tie Yellow to Orange
Input Connections to Brown (+)
& Blue (-)
A.2 Transformer Test Results

A.3 Transformer grounding & Secondary Hookup

Appendix B : Silk LCR EQ Connections and Performance
Silk Transformers of Thailand have been manufacturing a wide range of conventional and uncommon magnetic components for many years.
The trend to use vacuum tube phono stage circuits has been back to the high-end scene for several years. Most designs based high impedance, high loss R/C networks in either feedback loop or passive, to provide RIAA compensation.
Even though this scheme has been implemented to most of available phono stage circuits, due to ease of design, implementation and low cost, for many audiophiles, those phono stages still do not provide enough sense of reality.
Recently the trend of alternative design called LCR RIAA phono stage circuit is now on rising and gain popularity among discerned audiophiles. This is only natural, as the pre-emhasis RIAA networks in many Cutting Lathes for cutting LP’s also used LCR Circuits to shape the original equalization.
The LCR RIAA comprises of inductors, resistors and capacitors to form a low impedance constant impedance T-network that functions to compensate for RIAA playback standard. This low impedance characteristic yields exceptional signal transfer that usually lost from high impedance R/C RIAA network.
The Silk LCR RIAA is built based on the best Superpermalloy core inductor and performs within +/- 0.5dB from RIAA standard (from 20Hz-20KHz) and on average less than +0.15dB from the RIAA standard. The SILK LCR RIAA requires either 600 ohm source impedance or 600 Ohm load impedance.
B.1 LCR RIAA connection diagram

B.2 LCR RIAA Response

Appendix C : Universal Tube Output Stage

Electrical Performance:
- S/N- > 100dbA (approx 5nv/hz).
- THD- <0.15% (<0.1% typical); <1%THD (10Vout, 100K load)
- 20Hz – 20KHz (< -0.5db with IHF 10K/1nf load)
- Output Impedance <100 Ohm
- Can use 6N11,ECC 88, 6DJ8, 6922, tube family only in this implementation.
- gain as supplied for phono: MM 38db; with optional Cinemag step up transformer: Lo 62db, Hi 68db
- MM input impedance: 47K
- MC input impedance (ie load cartridge sees for load purposes): Hi (36:1) – 36ohms; Lo (18:1) – 140 ohms
The best sound is by using the inherent loading offered by the transformer.
The Universal Tube Output Stage is fitted with a relay based muting circuit which also performs a turn-on delay. This is of the type so it is completely disconnected when unmuted.